Questions in semiconductor

SelectQuestion
The reason of current flow in P-N junction in forward bias is
The resistance of a reverse biased P-N junction diode is about
Consider the following statements A and B and identify the correct choice of the given answersA: The width of the depletion layer in a P-N junction diode increases in forwards biasB: In an intrinsic semiconductor the fermi energy level is exactly in the middle of the forbidden gap
In comparison to a half wave rectifier, the full wave rectifier gives lower
Avalanche breakdown is due to
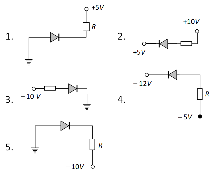
Which is reverse biased diode Question Image
Zener breakdown in a semi-conductor diode occurs when
When forward bias is applied to a P-N junction, then what happens to the potential barrier ${{V}_{B}}$, and the width of charge depleted region $x$
The potential barrier, in the depletion layer, is due to
In the given figure, which of the diodes are forward biased ? Question Image

View Selected Questions (0)

Back to Categories

Back to Home