Current Electricity

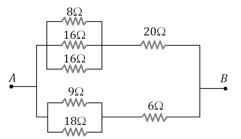
Question: The equivalent resistance of the arrangement of resistances shown in adjoining figure between the points A and B is

Question Image

1) 6 ohm
2) 8 ohm
3) 16 ohm
4) 24 ohm
Solution: Explanation: No Explanation
Grouping of Resistors Combination of Resistors

Rate this question:

Average rating: (0 votes)

Previous Question Next Question