Questions in Current Electricity

SelectQuestion
The figure shows a circuit diagram of a ‘Wheatstone Bridge’ to measure the resistance G of the galvanometer. The relation $\frac{P}{Q} = \frac{R}{G}$ will be satisfied only when Question Image
The resistance of a galvanometer is 50 ohms and the current required to give full scale deflection is $100\,\mu A$. In order to convert it into an ammeter, reading upto 10A, it is necessary to put a resistance of
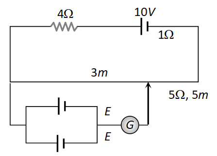
A resistance of $4\,\Omega $ and a wire of length 5 metres and resistance $5\,\Omega $ are joined in series and connected to a cell of e.m.f. 10 V and internal resistance $1\,\Omega $. A parallel combination of two identical cells is balanced across 300 cm of the wire. The e.m.f.E of each cell is Question Image
The resistivity of a potentiometer wire is $$ and its area of cross-section is $8 \times {10^{ - 6}}\,{m^2}$. If 0.2 amp current is flowing through the wire, the potential gradient will be
If only 2% of the main current is to be passed through a galvanometer of resistance G, then the resistance of shunt will be
The resistance of an ideal voltmeter is
A 100 V voltmeter of internal resistance $20\,k\Omega $ in series with a high resistance R is connected to a 110 V line. The voltmeter reads 5 V, the value of R is
Constantan wire is used in making standard resistances because its
The net resistance of a voltmeter should be large to ensure that
A galvanometer has resistance of $7\,\Omega $ and gives a full scale deflection for a current of 1.0 A. How will you convert it into a voltmeter of range 10 V

View Selected Questions (0)

Back to Categories

Back to Home